HOME >> Services >> Partners >> FAG Bearing
FAG Bearing
IKO Bearing
INA Bearing
KOYO Bearing
NACHI Bearing
NSK Bearing
NTN Bearing
SKF Bearing
TIMKEN Bearing

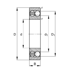
Bearing number : 2307-TVH
Size (mm) : 35x80x31
Brand : FAG
Bore Diameter (mm) : 35
Outer Diameter (mm) : 80
Width (mm) : 31
d - 35 mm
D - 80 mm
B - 31 mm
D1 - 66,8 mm
Da max - 71 mm
d1 - 46,9 mm
da min - 44 mm
ra max - 1,5 mm
rmin - 1,5 mm
m - 0,975 kg / Weight
Cr - 40500 N / Dynamic load rating (radial)
e - 0,47
Y1 - 1,35
Y2 - 2,1
C0r - 11100 N / Static load rating (radial)
Y0 - 1,42
nG - 9000 1/min / Limiting speed
nB - 11600 1/min / Reference speed
Cur - 690 N / Fatigue limit load, radial
Main dimensions to DIN 630