HOME >> Services >> Partners >> FAG Bearing
FAG Bearing
IKO Bearing
INA Bearing
KOYO Bearing
NACHI Bearing
NSK Bearing
NTN Bearing
SKF Bearing
TIMKEN Bearing

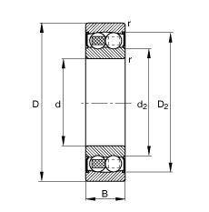
Bearing number : 2308-2RS-TVH
Size (mm) : 40x90x33
Brand : FAG
Bore Diameter (mm) : 40
Outer Diameter (mm) : 90
Width (mm) : 33
d - 40 mm
D - 90 mm
B - 33 mm
D2 - 78 mm
Da max - 81 mm
da min - 49 mm
ra max - 1,5 mm
rmin - 1,5 mm
m - 1,01 kg / Weight
Cr - 30000 N / Dynamic load rating (radial)
e - 0,25
Y1 - 2,52
Y2 - 3,9
C0r - 9600 N / Static load rating (radial)
Y0 - 2,64
nG - 5300 1/min / Limiting speed
nB - - 1/min / Reference speed
Cur - 600 N / Fatigue limit load, radial
Main dimensions to DIN 630, lip seal on both side