HOME >> Services >> Partners >> FAG Bearing
FAG Bearing
IKO Bearing
INA Bearing
KOYO Bearing
NACHI Bearing
NSK Bearing
NTN Bearing
SKF Bearing
TIMKEN Bearing

Bearing number : 23084-E1A-K-MB1 + AH3084G-H
Size (mm) : 400x620x150
Brand : FAG
Bore Diameter (mm) : 400
Outer Diameter (mm) : 620
Width (mm) : 150
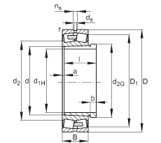
d1H - 400 mm
D - 620 mm
B - 150 mm
a - 10 mm
b - 34 mm
D1 - 560,7 mm
Da max - 602 mm
d - 420 mm
d2G - Tr440X5
da min - 438 mm
ds - 12,5 mm
l - 186 mm
ns - 23,5 mm
ra max - 4 mm
rmin - 5 mm
- AH3084G-H / Designation, withdrawal sleeve
m - 150 kg / Weight
m1 - 27,2 kg / Weight, withdrawal sleeve
Cr - 3650000 N / Dynamic load rating (radial)
e - 0,21
Y1 - 3,17
Y2 - 4,72
C0r - 6300000 N / Static load rating (radial)
Y0 - 3,1
nG - 1090 1/min / Limiting speed
nB - 660 1/min / Reference speed
Cur - 510000 N / Fatigue limit load, radial
Main dimensions to DIN 635-2