HOME >> Services >> Partners >> FAG Bearing
FAG Bearing
IKO Bearing
INA Bearing
KOYO Bearing
NACHI Bearing
NSK Bearing
NTN Bearing
SKF Bearing
TIMKEN Bearing

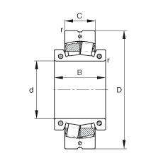
Bearing number : 230S.808
Size (mm) : 215.9x360x92
Brand : FAG
Bore Diameter (mm) : 215,9
Outer Diameter (mm) : 360
Width (mm) : 92
d - 215,9 mm
d - 8 1/2 inch
D - 360 mm
C - 92 mm
B - 156 mm
rmin - 3 mm
m - 58,9 kg / Weight
Cr - 1100000 N / Dynamic load rating (radial)
e - 0,23
Y1 - 2,9
Y2 - 4,31
C0r - 1830000 N / Static load rating (radial)
Y0 - 2,83
nG - 730 1/min / Limiting speed
Cur - 152000 N / Fatigue limit load, radial
Fa max - 32000 N / Permissible axial load, for inner ring without axial abutment
Mi - 120 Nm / Tightening torque per clamping screw
Ma - 35 Nm / Tightening torque per clamping screw
- 23048K / Designation, spherical roller bearing, unsplit
- H3048.808
SNP3048.808 - Designation, adapter sleeve, US design
SAF048K/8.1/2 - Designation, plummer block housing, US design