HOME >> Services >> Partners >> FAG Bearing
FAG Bearing
IKO Bearing
INA Bearing
KOYO Bearing
NACHI Bearing
NSK Bearing
NTN Bearing
SKF Bearing
TIMKEN Bearing

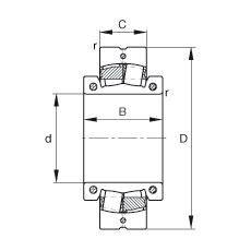
Bearing number : 230SM150-MA
Size (mm) : 150x260x67
Brand : FAG
Bore Diameter (mm) : 150
Outer Diameter (mm) : 260
Width (mm) : 67
d - 150 mm
D - 260 mm
C - 67 mm
B - 112 mm
rmin - 2,1 mm
m - 19,2 kg / Weight
Cr - 510000 N / Dynamic load rating (radial)
e - 0,22
Y1 - 3,1
Y2 - 4,62
C0r - 800000 N / Static load rating (radial)
Y0 - 3,03
nG - 1060 1/min / Limiting speed
Cur - 57000 N / Fatigue limit load, radial
Fa max - 13800 N / Permissible axial load, for inner ring without axial abutment
Mi - 35 Nm / Tightening torque per clamping screw
Ma - 9 Nm / Tightening torque per clamping screw
- 23034K / Designation, spherical roller bearing, unsplit
- H3034 / Adapter sleeve
- S3034K