HOME >> Services >> Partners >> FAG Bearing
FAG Bearing
IKO Bearing
INA Bearing
KOYO Bearing
NACHI Bearing
NSK Bearing
NTN Bearing
SKF Bearing
TIMKEN Bearing

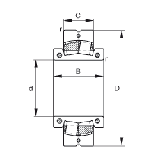
Bearing number : 230SM260-MA
Size (mm) : 260x420x106
Brand : FAG
Bore Diameter (mm) : 260
Outer Diameter (mm) : 420
Width (mm) : 106
d - 260 mm
D - 420 mm
C - 106 mm
B - 170 mm
rmin - 4 mm
m - 68 kg / Weight
Cr - 1460000 N / Dynamic load rating (radial)
e - 0,23
Y1 - 2,95
Y2 - 4,4
C0r - 2450000 N / Static load rating (radial)
Y0 - 2,89
nG - 620 1/min / Limiting speed
Cur - 200000 N / Fatigue limit load, radial
Fa max - 32000 N / Permissible axial load, for inner ring without axial abutment
Mi - 120 Nm / Tightening torque per clamping screw
Ma - 35 Nm / Tightening torque per clamping screw
- 23056K / Designation, spherical roller bearing, unsplit
- H3056 / Adapter sleeve
- SNS3056-H-D