HOME >> Services >> Partners >> FAG Bearing
FAG Bearing
IKO Bearing
INA Bearing
KOYO Bearing
NACHI Bearing
NSK Bearing
NTN Bearing
SKF Bearing
TIMKEN Bearing

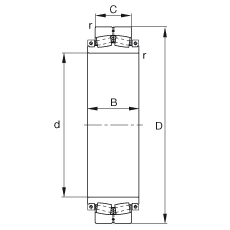
Bearing number : 230SM500-MA
Size (mm) : 500x780x185
Brand : FAG
Bore Diameter (mm) : 500
Outer Diameter (mm) : 780
Width (mm) : 185
d - 500 mm
D - 780 mm
C - 185 mm
B - 270 mm
rmin - 6 mm
m - 427 kg / Weight
Cr - 4150000 N / Dynamic load rating (radial)
e - 0,2
Y1 - 3,34
Y2 - 4,98
C0r - 8500000 N / Static load rating (radial)
Y0 - 3,27
nG - 310 1/min / Limiting speed
Cur - 580000 N / Fatigue limit load, radial
Fa max - 60000 N / Permissible axial load, for inner ring without axial abutment
Mi - 295 Nm / Tightening torque per clamping screw
Ma - 120 Nm / Tightening torque per clamping screw
- 230/530K / Designation, spherical roller bearing, unsplit
- H30/530HG / Adapter sleeve