HOME >> Services >> Partners >> FAG Bearing
FAG Bearing
IKO Bearing
INA Bearing
KOYO Bearing
NACHI Bearing
NSK Bearing
NTN Bearing
SKF Bearing
TIMKEN Bearing

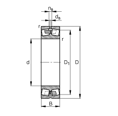
Bearing number : 231/560-MB
Size (mm) : 560x920x280
Brand : FAG
Bore Diameter (mm) : 560
Outer Diameter (mm) : 920
Width (mm) : 280
d - 560 mm
D - 920 mm
B - 280 mm
D1 - 800,2 mm
Da max - 888 mm
da min - 592 mm
ds - 12,5 mm
ns - 23,5 mm
ra max - 6 mm
rmin - 7,5 mm
m - 767 kg / Weight
Cr - 8150000 N / Dynamic load rating (radial)
e - 0,31
Y1 - 2,21
Y2 - 3,29
C0r - 16600000 N / Static load rating (radial)
Y0 - 2,16
nG - 620 1/min / Limiting speed
nB - 300 1/min / Reference speed
Cur - 750000 N
Main dimensions to DIN 635-2