HOME >> Services >> Partners >> FAG Bearing
FAG Bearing
IKO Bearing
INA Bearing
KOYO Bearing
NACHI Bearing
NSK Bearing
NTN Bearing
SKF Bearing
TIMKEN Bearing

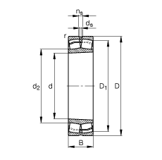
Bearing number : 23120-E1-K-TVPB
Size (mm) : 100x165x52
Brand : FAG
Bore Diameter (mm) : 100
Outer Diameter (mm) : 165
Width (mm) : 52
d - 100 mm
D - 165 mm
B - 52 mm
D1 - 146,3 mm
Da max - 154 mm
d2 - 113,9 mm
da min - 111 mm
ds - 3,2 mm
ns - 6,5 mm
ra max - 2 mm
rmin - 2 mm
m - 4,1 kg / Weight
Cr - 450000 N / Dynamic load rating (radial)
e - 0,28
Y1 - 2,37
Y2 - 3,53
C0r - 570000 N / Static load rating (radial)
Y0 - 2,32
nG - 4000 1/min / Limiting speed
nB - 2800 1/min
Cur - 52000 N / Fatigue limit load, radial
Main dimensions to DIN 635-2