HOME >> Services >> Partners >> FAG Bearing
FAG Bearing
IKO Bearing
INA Bearing
KOYO Bearing
NACHI Bearing
NSK Bearing
NTN Bearing
SKF Bearing
TIMKEN Bearing

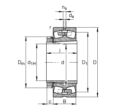
Bearing number : 23122-E1A-K-M + H3122
Size (mm) : 100x180x56
Brand : FAG
Bore Diameter (mm) : 100
Outer Diameter (mm) : 180
Width (mm) : 56
d1H - 100 mm
D - 180 mm
B - 56 mm
Ba min - 7 mm
c - 21 mm
D1 - 160 mm
Da max - 169 mm
Dm - 145 mm
d - 110 mm
da max - 127 mm
db min - 117 mm
ds - 4,8 mm
l - 81 mm
ns - 9,5 mm
ra max - 2 mm
rmin - 2 mm
- H3122 / Adapter sleeve
m - 5,1 kg / Weight
m1 - 2,28 kg / Weight, adapter sleeve
Cr - 530000 N
e - 0,28
Y1 - 2,41
Y2 - 3,59
C0r - 680000 N / Static load rating (radial)
Y0 - 2,35
nG - 3700 1/min / Limiting speed
nB - 2600 1/min / Reference speed
Cur -
Main dimensions to DIN 635-2