HOME >> Services >> Partners >> FAG Bearing
FAG Bearing
IKO Bearing
INA Bearing
KOYO Bearing
NACHI Bearing
NSK Bearing
NTN Bearing
SKF Bearing
TIMKEN Bearing

Bearing number : 23130-E1A-K-M + AHX3130G
Size (mm) : 145x250x80
Brand : FAG
Bore Diameter (mm) : 145
Outer Diameter (mm) : 250
Width (mm) : 80
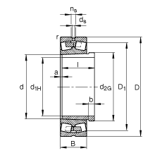
d1H - 145 mm
D - 250 mm
B - 80 mm
a - 5 mm
b - 15 mm
D1 - 220,8 mm
Da max - 238 mm
d - 150 mm
d2G - M160X3
da min - 162 mm
ds - 6,3 mm
l - 96 mm
ns - 12,2 mm
ra max - 2,1 mm
rmin - 2,1 mm
- AHX3130G / Designation, withdrawal sleeve
m - 15,8 kg / Weight
m1 - 1,66 kg / Weight, withdrawal sleeve
Cr - 1000000 N / Dynamic load rating (radial)
e - 0,29
Y1 - 2,32
Y2 - 3,45
C0r - 1330000 N / Static load rating (radial)
Y0 - 2,26
nG - 2650 1/min / Limiting speed
nB - 1750 1/min / Reference speed
Cur - 143000 N / Fatigue limit load, radial
Main dimensions to DIN 635-2