HOME >> Services >> Partners >> FAG Bearing
FAG Bearing
IKO Bearing
INA Bearing
KOYO Bearing
NACHI Bearing
NSK Bearing
NTN Bearing
SKF Bearing
TIMKEN Bearing

Bearing number : 23138-E1-TVPB
Size (mm) : 190x320x104
Brand : FAG
Bore Diameter (mm) : 190
Outer Diameter (mm) : 320
Width (mm) : 104
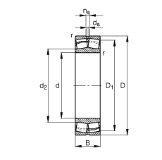
d - 190 mm
D - 320 mm
B - 104 mm
D1 - 281,6 mm
Da max - 306 mm
d2 - 217 mm
da min - 204 mm
ds - 8 mm
ns - 15 mm
ra max - 2,5 mm
rmin - 3 mm
m - 32 kg / Weight
Cr - 1610000 N / Dynamic load rating (radial)
e - 0,3
Y1 - 2,28
Y2 - 3,39
C0r - 2220000 N / Static load rating (radial)
Y0 - 2,23
nG - 2070 1/min / Limiting speed
nB - 1280 1/min
Cur - 218000 N / Fatigue limit load, radial
Main dimensions to DIN 635-2