HOME >> Services >> Partners >> FAG Bearing
FAG Bearing
IKO Bearing
INA Bearing
KOYO Bearing
NACHI Bearing
NSK Bearing
NTN Bearing
SKF Bearing
TIMKEN Bearing

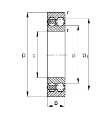
Bearing number : 2314-M
Size (mm) : 70x150x51
Brand : FAG
Bore Diameter (mm) : 70
Outer Diameter (mm) : 150
Width (mm) : 51
d - 70 mm
D - 150 mm
B - 51 mm
D1 - 127,2 mm
Da max - 138 mm
d1 - 91,5 mm
da min - 82 mm
ra max - 2,1 mm
rmin - 2,1 mm
m - 4,38 kg / Weight
Cr - 112000 N / Dynamic load rating (radial)
e - 0,38
Y1 - 1,65
Y2 - 2,55
C0r - 37000 N / Static load rating (radial)
Y0 - 1,73
nG - 6300 1/min / Limiting speed
nB - 6900 1/min / Reference speed
Cur - 2210 N / Fatigue limit load, radial
Main dimensions to DIN 630