HOME >> Services >> Partners >> FAG Bearing
FAG Bearing
IKO Bearing
INA Bearing
KOYO Bearing
NACHI Bearing
NSK Bearing
NTN Bearing
SKF Bearing
TIMKEN Bearing

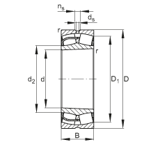
Bearing number : 23148-E1-K
Size (mm) : 240x400x128
Brand : FAG
Bore Diameter (mm) : 240
Outer Diameter (mm) : 400
Width (mm) : 128
d - 240 mm
D - 400 mm
B - 128 mm
D1 - 349,9 mm
Da max - 383 mm
d2 - 275,9 mm
da min - 257 mm
ds - 9,5 mm
ns - 17,7 mm
ra max - 3 mm
rmin - 4 mm
m - 62 kg / Weight
Cr - 2130000 N / Dynamic load rating (radial)
e - 0,31
Y1 - 2,18
Y2 - 3,24
C0r - 3150000 N / Static load rating (radial)
Y0 - 2,13
nG - 1700 1/min / Limiting speed
nB - 980 1/min
Cur - 248000 N / Fatigue limit load, radial
Main dimensions to DIN 635-2