HOME >> Services >> Partners >> FAG Bearing
FAG Bearing
IKO Bearing
INA Bearing
KOYO Bearing
NACHI Bearing
NSK Bearing
NTN Bearing
SKF Bearing
TIMKEN Bearing

Bearing number : 23164-E1A-K-MB1 + AH3164G-H
Size (mm) : 300x540x176
Brand : FAG
Bore Diameter (mm) : 300
Outer Diameter (mm) : 540
Width (mm) : 176
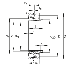
d1H - 300 mm
D - 540 mm
B - 176 mm
a - 8 mm
b - 31 mm
D1 - 469,3 mm
Da max - 520 mm
d - 320 mm
d2G - Tr340X5
da min - 340 mm
ds - 12,5 mm
l - 209 mm
ns - 23,5 mm
ra max - 4 mm
rmin - 5 mm
- AH3164G-H / Designation, withdrawal sleeve
m - 161 kg / Weight
m1 - 23,6 kg / Weight, withdrawal sleeve
Cr - 3800000 N / Dynamic load rating (radial)
e - 0,32
Y1 - 2,13
Y2 - 3,17
C0r - 5900000 N / Static load rating (radial)
Y0 - 2,08
nG - 1170 1/min / Limiting speed
nB - 660 1/min / Reference speed
Cur - 415000 N / Fatigue limit load, radial
Main dimensions to DIN 635-2