HOME >> Services >> Partners >> FAG Bearing
FAG Bearing
IKO Bearing
INA Bearing
KOYO Bearing
NACHI Bearing
NSK Bearing
NTN Bearing
SKF Bearing
TIMKEN Bearing

Bearing number : 23172-K-MB + AH3172G-H
Size (mm) : 340x600x192
Brand : FAG
Bore Diameter (mm) : 340
Outer Diameter (mm) : 600
Width (mm) : 192
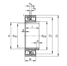
d1H - 340 mm
D - 600 mm
B - 192 mm
a - 9 mm
b - 35 mm
D1 - 520 mm
Da max - 580 mm
d - 360 mm
d2G - Tr380X5
da min - 380 mm
ds - 12,5 mm
l - 229 mm
ns - 23,5 mm
ra max - 4 mm
rmin - 5 mm
- AH3172G-H / Designation, withdrawal sleeve
m - 221 kg / Weight
m1 - 29,8 kg / Weight, withdrawal sleeve
Cr - 3800000 N / Dynamic load rating (radial)
e - 0,33
Y1 - 2,06
Y2 - 3,06
C0r - 7350000 N / Static load rating (radial)
Y0 - 2,01
nG - 1030 1/min / Limiting speed
nB - 560 1/min / Reference speed
Cur - 355000 N / Fatigue limit load, radial
Main dimensions to DIN 635-2