HOME >> Services >> Partners >> FAG Bearing
FAG Bearing
IKO Bearing
INA Bearing
KOYO Bearing
NACHI Bearing
NSK Bearing
NTN Bearing
SKF Bearing
TIMKEN Bearing

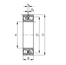
Bearing number : 23176-MB
Size (mm) : 380x620x194
Brand : FAG
Bore Diameter (mm) : 380
Outer Diameter (mm) : 620
Width (mm) : 194
d - 380 mm
D - 620 mm
B - 194 mm
D1 - 539,55 mm
Da max - 600 mm
da min - 400 mm
ds - 12,5 mm
ns - 23,5 mm
ra max - 4 mm
rmin - 5 mm
m - 241 kg / Weight
Cr - 4050000 N / Dynamic load rating (radial)
e - 0,32
Y1 - 2,12
Y2 - 3,15
C0r - 8150000 N / Static load rating (radial)
Y0 - 2,07
nG - 970 1/min / Limiting speed
nB - 510 1/min / Reference speed
Cur - 385000 N
Main dimensions to DIN 635-2