HOME >> Services >> Partners >> FAG Bearing
FAG Bearing
IKO Bearing
INA Bearing
KOYO Bearing
NACHI Bearing
NSK Bearing
NTN Bearing
SKF Bearing
TIMKEN Bearing

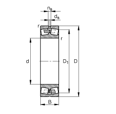
Bearing number : 23196-MB
Size (mm) : 480x790x248
Brand : FAG
Bore Diameter (mm) : 480
Outer Diameter (mm) : 790
Width (mm) : 248
d - 480 mm
D - 790 mm
B - 248 mm
D1 - 688,3 mm
Da max - 758 mm
da min - 512 mm
ds - 12,5 mm
ns - 23,5 mm
ra max - 6 mm
rmin - 7,5 mm
m - 508 kg / Weight
Cr - 6300000 N / Dynamic load rating (radial)
e - 0,32
Y1 - 2,12
Y2 - 3,15
C0r - 12700000 N / Static load rating (radial)
Y0 - 2,07
nG - 730 1/min / Limiting speed
nB - 375 1/min / Reference speed
Cur - 570000 N
Main dimensions to DIN 635-2