HOME >> Services >> Partners >> FAG Bearing
FAG Bearing
IKO Bearing
INA Bearing
KOYO Bearing
NACHI Bearing
NSK Bearing
NTN Bearing
SKF Bearing
TIMKEN Bearing

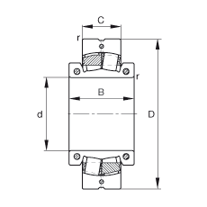
Bearing number : 231S.1000
Size (mm) : 254x460x146
Brand : FAG
Bore Diameter (mm) : 254
Outer Diameter (mm) : 460
Width (mm) : 146
d - 254 mm
d - 10 inch
D - 460 mm
C - 146 mm
B - 190 mm
rmin - 5 mm
m - 123 kg / Weight
Cr - 2300000 N / Dynamic load rating (radial)
e - 0,3
Y1 - 2,23
Y2 - 3,32
C0r - 3800000 N / Static load rating (radial)
Y0 - 2,18
nG - 510 1/min / Limiting speed
Cur - 255000 N / Fatigue limit load, radial
Fa max - 32000 N / Permissible axial load, for inner ring without axial abutment
Mi - 120 Nm / Tightening torque per clamping screw
Ma - 35 Nm / Tightening torque per clamping screw