HOME >> Services >> Partners >> FAG Bearing
FAG Bearing
IKO Bearing
INA Bearing
KOYO Bearing
NACHI Bearing
NSK Bearing
NTN Bearing
SKF Bearing
TIMKEN Bearing

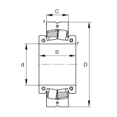
Bearing number : 231S.1015
Size (mm) : 277.812x500x160
Brand : FAG
Bore Diameter (mm) : 277,812
Outer Diameter (mm) : 500
Width (mm) : 160
d - 277,812 mm
d - 10 15/16 inch
D - 500 mm
C - 160 mm
B - 218 mm
rmin - 5 mm
m - 145 kg / Weight
Cr - 2330000 N / Dynamic load rating (radial)
e - 0,29
Y1 - 2,32
Y2 - 3,45
C0r - 3900000 N / Static load rating (radial)
Y0 - 2,26
nG - 485 1/min / Limiting speed
Cur - 265000 N / Fatigue limit load, radial
Fa max - 44000 N / Permissible axial load, for inner ring without axial abutment
Mi - 190 Nm / Tightening torque per clamping screw
Ma - 120 Nm / Tightening torque per clamping screw