HOME >> Services >> Partners >> FAG Bearing
FAG Bearing
IKO Bearing
INA Bearing
KOYO Bearing
NACHI Bearing
NSK Bearing
NTN Bearing
SKF Bearing
TIMKEN Bearing

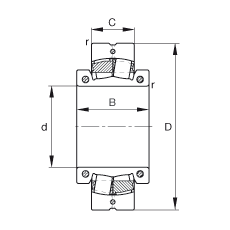
Bearing number : 231S.1200
Size (mm) : 304.8x540x176
Brand : FAG
Bore Diameter (mm) : 304,8
Outer Diameter (mm) : 540
Width (mm) : 176
d - 304,8 mm
d - 12 inch
D - 540 mm
C - 176 mm
B - 225 mm
rmin - 5 mm
m - 182 kg / Weight
Cr - 2750000 N / Dynamic load rating (radial)
e - 0,29
Y1 - 2,3
Y2 - 3,42
C0r - 4750000 N / Static load rating (radial)
Y0 - 2,25
nG - 435 1/min / Limiting speed
Cur - 305000 N / Fatigue limit load, radial
Fa max - 60000 N / Permissible axial load, for inner ring without axial abutment
Mi - 295 Nm / Tightening torque per clamping screw
Ma - 120 Nm / Tightening torque per clamping screw