HOME >> Services >> Partners >> FAG Bearing
FAG Bearing
IKO Bearing
INA Bearing
KOYO Bearing
NACHI Bearing
NSK Bearing
NTN Bearing
SKF Bearing
TIMKEN Bearing

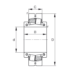
Bearing number : 231S.1308
Size (mm) : 342.9x600x192
Brand : FAG
Bore Diameter (mm) : 342,9
Outer Diameter (mm) : 600
Width (mm) : 192
d - 342,9 mm
d - 13 1/2 inch
D - 600 mm
C - 192 mm
B - 270 mm
rmin - 5 mm
m - 314 kg / Weight
Cr - 3900000 N / Dynamic load rating (radial)
e - 0,3
Y1 - 2,25
Y2 - 3,34
C0r - 6800000 N / Static load rating (radial)
Y0 - 2,2
nG - 360 1/min / Limiting speed
Cur - 410000 N / Fatigue limit load, radial
Fa max - 60000 N / Permissible axial load, for inner ring without axial abutment
Mi - 295 Nm / Tightening torque per clamping screw
Ma - 35 Nm / Tightening torque per clamping screw