HOME >> Services >> Partners >> FAG Bearing
FAG Bearing
IKO Bearing
INA Bearing
KOYO Bearing
NACHI Bearing
NSK Bearing
NTN Bearing
SKF Bearing
TIMKEN Bearing

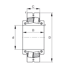
Bearing number : 231S.908
Size (mm) : 241.3x440x144
Brand : FAG
Bore Diameter (mm) : 241,3
Outer Diameter (mm) : 440
Width (mm) : 144
d - 241,3 mm
d - 9 1/2 inch
D - 440 mm
C - 144 mm
B - 210 mm
rmin - 4 mm
m - 112 kg / Weight
Cr - 1880000 N / Dynamic load rating (radial)
e - 0,3
Y1 - 2,28
Y2 - 3,39
C0r - 3050000 N / Static load rating (radial)
Y0 - 2,23
nG - 580 1/min / Limiting speed
Cur - 218000 N / Fatigue limit load, radial
Fa max - 32000 N / Permissible axial load, for inner ring without axial abutment
Mi - 120 Nm / Tightening torque per clamping screw
Ma - 69 Nm / Tightening torque per clamping screw