HOME >> Services >> Partners >> FAG Bearing
FAG Bearing
IKO Bearing
INA Bearing
KOYO Bearing
NACHI Bearing
NSK Bearing
NTN Bearing
SKF Bearing
TIMKEN Bearing

Bearing number : 231SM400-MA
Size (mm) : 400x700x224
Brand : FAG
Bore Diameter (mm) : 400
Outer Diameter (mm) : 700
Width (mm) : 224
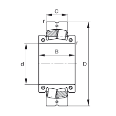
d - 400 mm
D - 700 mm
C - 224 mm
B - 300 mm
rmin - 6 mm
m - 417 kg / Weight
Cr - 4400000 N / Dynamic load rating (radial)
e - 0,28
Y1 - 2,39
Y2 - 3,56
C0r - 7650000 N / Static load rating (radial)
Y0 - 2,34
nG - 325 1/min / Limiting speed
Cur - 475000 N / Fatigue limit load, radial
Fa max - 60000 N / Permissible axial load, for inner ring without axial abutment
Mi - 295 Nm / Tightening torque per clamping screw
Ma - 190 Nm / Tightening torque per clamping screw
- 23184K / Designation, spherical roller bearing, unsplit
- H3184-HG / Adapter sleeve
- SNS3184-H-D