HOME >> Services >> Partners >> FAG Bearing
FAG Bearing
IKO Bearing
INA Bearing
KOYO Bearing
NACHI Bearing
NSK Bearing
NTN Bearing
SKF Bearing
TIMKEN Bearing

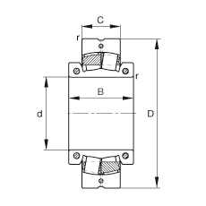
Bearing number : 231SM410-MA
Size (mm) : 410x720x226
Brand : FAG
Bore Diameter (mm) : 410
Outer Diameter (mm) : 720
Width (mm) : 226
d - 410 mm
D - 720 mm
C - 226 mm
B - 315 mm
rmin - 6 mm
m - 566 kg / Weight
Cr - 5400000 N / Dynamic load rating (radial)
e - 0,29
Y1 - 2,3
Y2 - 3,42
C0r - 9650000 N / Static load rating (radial)
Y0 - 2,25
nG - 295 1/min / Limiting speed
Cur - 570000 N / Fatigue limit load, radial
Fa max - 60000 N / Permissible axial load, for inner ring without axial abutment
Mi - 295 Nm / Tightening torque per clamping screw
Ma - 120 Nm / Tightening torque per clamping screw
- 23188K / Designation, spherical roller bearing, unsplit
- H3188-HG / Adapter sleeve
- SNS3188-H-D