HOME >> Services >> Partners >> FAG Bearing
FAG Bearing
IKO Bearing
INA Bearing
KOYO Bearing
NACHI Bearing
NSK Bearing
NTN Bearing
SKF Bearing
TIMKEN Bearing

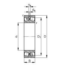
Bearing number : 232/530-MB
Size (mm) : 530x980x355
Brand : FAG
Bore Diameter (mm) : 530
Outer Diameter (mm) : 980
Width (mm) : 355
d - 530 mm
D - 980 mm
B - 355 mm
D1 - 824,4 mm
Da max - 940 mm
da min - 570 mm
ds - 12,5 mm
ns - 23,5 mm
ra max - 8 mm
rmin - 9,5 mm
m - 1240 kg / Weight
Cr - 10900000 N / Dynamic load rating (radial)
e - 0,38
Y1 - 1,77
Y2 - 2,64
C0r - 20900000 N / Static load rating (radial)
Y0 - 1,73
nG - 570 1/min / Limiting speed
nB - 233 1/min / Reference speed
Cur - 1200000 N
Main dimensions to DIN 635-2