HOME >> Services >> Partners >> FAG Bearing
FAG Bearing
IKO Bearing
INA Bearing
KOYO Bearing
NACHI Bearing
NSK Bearing
NTN Bearing
SKF Bearing
TIMKEN Bearing

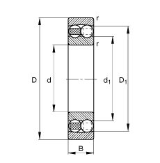
Bearing number : 2320-M
Size (mm) : 100x215x73
Brand : FAG
Bore Diameter (mm) : 100
Outer Diameter (mm) : 215
Width (mm) : 73
d - 100 mm
D - 215 mm
B - 73 mm
D1 - 183 mm
Da max - 201 mm
d1 - 130,8 mm
da min - 114 mm
ra max - 2,5 mm
rmin - 3 mm
m - 12,9 kg / Weight
Cr - 196000 N / Dynamic load rating (radial)
e - 0,38
Y1 - 1,67
Y2 - 2,58
C0r - 78000 N / Static load rating (radial)
Y0 - 1,75
nG - 4500 1/min / Limiting speed
nB - 5200 1/min / Reference speed
Cur - 3900 N / Fatigue limit load, radial
Main dimensions to DIN 630