HOME >> Services >> Partners >> FAG Bearing
FAG Bearing
IKO Bearing
INA Bearing
KOYO Bearing
NACHI Bearing
NSK Bearing
NTN Bearing
SKF Bearing
TIMKEN Bearing

Bearing number : 23218-E1A-K-M + AHX3218
Size (mm) : 85x160x52.4
Brand : FAG
Bore Diameter (mm) : 85
Outer Diameter (mm) : 160
Width (mm) : 52,4
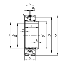
d1H - 85 mm
D - 160 mm
B - 52,4 mm
a - 4 mm
b - 10 mm
D1 - 140 mm
Da max - 149 mm
d - 90 mm
d2G - M100X2
da min - 101 mm
ds - 3,2 mm
l - 63 mm
ns - 6,5 mm
ra max - 2 mm
rmin - 2 mm
- AHX3218 / Designation, withdrawal sleeve
m - 4,3 kg / Weight
m1 - 0,58 kg / Weight, withdrawal sleeve
Cr - 445000 N / Dynamic load rating (radial)
e - 0,31
Y1 - 2,2
Y2 - 3,27
C0r - 520000 N / Static load rating (radial)
Y0 - 2,15
nG - 4250 1/min / Limiting speed
nB - 2700 1/min / Reference speed
Cur - 48500 N / Fatigue limit load, radial
Main dimensions to DIN 635-2