HOME >> Services >> Partners >> FAG Bearing
FAG Bearing
IKO Bearing
INA Bearing
KOYO Bearing
NACHI Bearing
NSK Bearing
NTN Bearing
SKF Bearing
TIMKEN Bearing

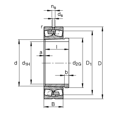
Bearing number : 23228-E1A-K-M + AHX3228G
Size (mm) : 135x250x88
Brand : FAG
Bore Diameter (mm) : 135
Outer Diameter (mm) : 250
Width (mm) : 88
d1H - 135 mm
D - 250 mm
B - 88 mm
a - 5 mm
b - 15 mm
D1 - 216 mm
Da max - 236 mm
d - 140 mm
d2G - M150X2
da min - 154 mm
ds - 6,3 mm
l - 104 mm
ns - 12,2 mm
ra max - 2,5 mm
rmin - 3 mm
- AHX3228G / Designation, withdrawal sleeve
m - 17,6 kg / Weight
m1 - 1,72 kg / Weight, withdrawal sleeve
Cr - 1090000 N / Dynamic load rating (radial)
e - 0,33
Y1 - 2,04
Y2 - 3,04
C0r - 1400000 N / Static load rating (radial)
Y0 - 2
nG - 2600 1/min / Limiting speed
nB - 1580 1/min / Reference speed
Cur - 112000 N / Fatigue limit load, radial
Main dimensions to DIN 635-2