HOME >> Services >> Partners >> FAG Bearing
FAG Bearing
IKO Bearing
INA Bearing
KOYO Bearing
NACHI Bearing
NSK Bearing
NTN Bearing
SKF Bearing
TIMKEN Bearing

Bearing number : 23228-E1A-K-M + H2328
Size (mm) : 125x250x88
Brand : FAG
Bore Diameter (mm) : 125
Outer Diameter (mm) : 250
Width (mm) : 88
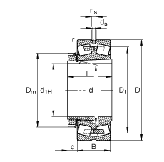
d1H - 125 mm
D - 250 mm
B - 88 mm
Ba min - 22 mm
c - 24 mm
D1 - 216 mm
Da max - 236 mm
Dm - 180 mm
d - 140 mm
da max - 162 mm
db min - 152 mm
ds - 6,3 mm
l - 131 mm
ns - 12,2 mm
ra max - 2,5 mm
rmin - 3 mm
- H2328 / Adapter sleeve
m - 17,6 kg / Weight
m1 - 5,66 kg / Weight, adapter sleeve
Cr - 1090000 N
e - 0,33
Y1 - 2,04
Y2 - 3,04
C0r - 1400000 N / Static load rating (radial)
Y0 - 2
nG - 2600 1/min / Limiting speed
nB - 1580 1/min / Reference speed
Cur -
Main dimensions to DIN 635-2