HOME >> Services >> Partners >> FAG Bearing
FAG Bearing
IKO Bearing
INA Bearing
KOYO Bearing
NACHI Bearing
NSK Bearing
NTN Bearing
SKF Bearing
TIMKEN Bearing

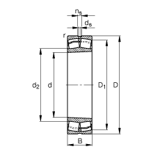
Bearing number : 23234-E1-K-TVPB
Size (mm) : 170x310x110
Brand : FAG
Bore Diameter (mm) : 170
Outer Diameter (mm) : 310
Width (mm) : 110
d - 170 mm
D - 310 mm
B - 110 mm
D1 - 267,4 mm
Da max - 293 mm
d2 - 199,8 mm
da min - 187 mm
ds - 8 mm
ns - 15 mm
ra max - 3 mm
rmin - 4 mm
m - 33,1 kg / Weight
Cr - 1640000 N / Dynamic load rating (radial)
e - 0,33
Y1 - 2,03
Y2 - 3,02
C0r - 2170000 N / Static load rating (radial)
Y0 - 1,98
nG - 2090 1/min / Limiting speed
nB - 1190 1/min
Cur - 163000 N / Fatigue limit load, radial
Main dimensions to DIN 635-2