HOME >> Services >> Partners >> FAG Bearing
FAG Bearing
IKO Bearing
INA Bearing
KOYO Bearing
NACHI Bearing
NSK Bearing
NTN Bearing
SKF Bearing
TIMKEN Bearing

Bearing number : 23238-E1-K + H2338
Size (mm) : 170x340x120
Brand : FAG
Bore Diameter (mm) : 170
Outer Diameter (mm) : 340
Width (mm) : 120
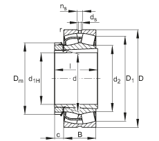
d1H - 170 mm
D - 340 mm
B - 120 mm
Ba min - 21 mm
c - 31 mm
D1 - 289 mm
Da max - 323 mm
Dm - 240 mm
d - 190 mm
d2 - 222,4 mm
da max - 222 mm
db min - 206 mm
ds - 9,5 mm
l - 169 mm
ns - 17,7 mm
ra max - 3 mm
rmin - 4 mm
- H2338 / Adapter sleeve
m - 42,6 kg / Weight
m1 - 12,9 kg
Cr - 1740000 N / Dynamic load rating (radial)
e - 0,34
Y1 - 1,98
Y2 - 2,94
C0r - 2400000 N / Static load rating (radial)
Y0 - 1,93
nG - 1990 1/min / Limiting speed
nB - 200000 N / Fatigue limit load, radial
Main dimensions to DIN 635-2