HOME >> Services >> Partners >> FAG Bearing
FAG Bearing
IKO Bearing
INA Bearing
KOYO Bearing
NACHI Bearing
NSK Bearing
NTN Bearing
SKF Bearing
TIMKEN Bearing

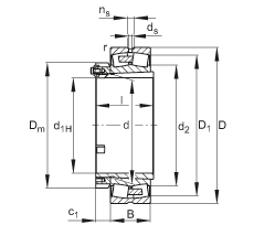
Bearing number : 23256-E1A-K-MB1
Size (mm) : 280x500x176
Brand : FAG
Bore Diameter (mm) : 280
Outer Diameter (mm) : 500
Width (mm) : 176
d - 280 mm
D - 500 mm
B - 176 mm
D1 - 425,4 mm
Da max - 480 mm
da min - 300 mm
ds - 12,5 mm
ns - 23,5 mm
ra max - 4 mm
rmin - 5 mm
m - 143,7 kg / Weight
Cr - 3550000 N / Dynamic load rating (radial)
e - 0,34
Y1 - 1,96
Y2 - 2,92
C0r - 5200000 N / Static load rating (radial)
Y0 - 1,92
nG - 1280 1/min / Limiting speed
nB - 630 1/min / Reference speed
Cur - 385000 N
Main dimensions to DIN 635-2