HOME >> Services >> Partners >> FAG Bearing
FAG Bearing
IKO Bearing
INA Bearing
KOYO Bearing
NACHI Bearing
NSK Bearing
NTN Bearing
SKF Bearing
TIMKEN Bearing

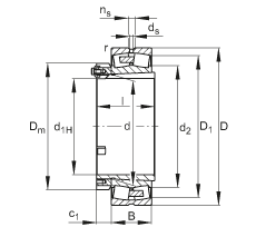
Bearing number : 23268-E1A-K-MB1
Size (mm) : 340x620x224
Brand : FAG
Bore Diameter (mm) : 340
Outer Diameter (mm) : 620
Width (mm) : 224
d - 340 mm
D - 620 mm
B - 224 mm
D1 - 523,5 mm
Da max - 594 mm
da min - 366 mm
ds - 12,5 mm
ns - 23,5 mm
ra max - 5 mm
rmin - 6 mm
m - 292 kg / Weight
Cr - 5300000 N / Dynamic load rating (radial)
e - 0,36
Y1 - 1,85
Y2 - 2,76
C0r - 7900000 N / Static load rating (radial)
Y0 - 1,81
nG - 1000 1/min / Limiting speed
nB - 480 1/min / Reference speed
Cur - 570000 N
Main dimensions to DIN 635-2