HOME >> Services >> Partners >> FAG Bearing
FAG Bearing
IKO Bearing
INA Bearing
KOYO Bearing
NACHI Bearing
NSK Bearing
NTN Bearing
SKF Bearing
TIMKEN Bearing

Bearing number : 23284-B-K-MB + AH3284G-H
Size (mm) : 400x760x272
Brand : FAG
Bore Diameter (mm) : 400
Outer Diameter (mm) : 760
Width (mm) : 272
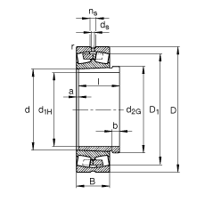
d1H - 400 mm
D - 760 mm
B - 272 mm
a - 10 mm
b - 46 mm
D1 - 642,2 mm
Da max - 728 mm
d - 420 mm
d2G - Tr440X5
da min - 452 mm
ds - 12,5 mm
l - 321 mm
ns - 23,5 mm
ra max - 6 mm
rmin - 7,5 mm
- AH3284G-H / Designation, withdrawal sleeve
m - 539 kg / Weight
m1 - 53,6 kg / Weight, withdrawal sleeve
Cr - 6550000 N / Dynamic load rating (radial)
e - 0,38
Y1 - 1,77
Y2 - 2,64
C0r - 12200000 N / Static load rating (radial)
Y0 - 1,73
nG - 760 1/min / Limiting speed
nB - 345 1/min / Reference speed
Cur - 920000 N / Fatigue limit load, radial
Main dimensions to DIN 635-2