HOME >> Services >> Partners >> FAG Bearing
FAG Bearing
IKO Bearing
INA Bearing
KOYO Bearing
NACHI Bearing
NSK Bearing
NTN Bearing
SKF Bearing
TIMKEN Bearing

Bearing number : 23288-B-K-MB + AHX3288G-H
Size (mm) : 420x790x280
Brand : FAG
Bore Diameter (mm) : 420
Outer Diameter (mm) : 790
Width (mm) : 280
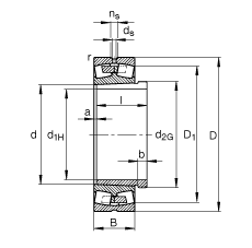
d1H - 420 mm
D - 790 mm
B - 280 mm
a - 11 mm
b - 48 mm
D1 - 669,3 mm
Da max - 758 mm
d - 440 mm
d2G - Tr460X5
da min - 472 mm
ds - 12,5 mm
l - 330 mm
ns - 23,5 mm
ra max - 6 mm
rmin - 7,5 mm
- AHX3288G-H / Designation, withdrawal sleeve
m - 586 kg / Weight
m1 - 58,2 kg / Weight, withdrawal sleeve
Cr - 7100000 N / Dynamic load rating (radial)
e - 0,37
Y1 - 1,8
Y2 - 2,69
C0r - 13400000 N / Static load rating (radial)
Y0 - 1,76
nG - 720 1/min / Limiting speed
nB - 320 1/min / Reference speed
Cur - 990000 N / Fatigue limit load, radial
Main dimensions to DIN 635-2