HOME >> Services >> Partners >> FAG Bearing
FAG Bearing
IKO Bearing
INA Bearing
KOYO Bearing
NACHI Bearing
NSK Bearing
NTN Bearing
SKF Bearing
TIMKEN Bearing

Bearing number : 234711-M-SP
Size (mm) : 57x90x44
Brand : FAG
Bore Diameter (mm) : 57
Outer Diameter (mm) : 90
Width (mm) : 44
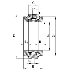
d - 57 mm
D - 90 mm
B - 44 mm
B1 - 11 mm
C - 22 mm
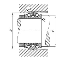
Da - 84,5 mm / Tolerance: H12
d1 - 78 mm
da - 69 mm / Tolerance: h12
ds - 3,2 mm
ns - 6,5 mm
r1 min - 0,3 mm
ra max - 1 mm
ra1 max - 0,3 mm
rmin - 1,1 mm
α - 60 ° / Angle
m - 0,884 kg / Weight
Ca - 36500 N / Dynamic load rating (axial)
C0a - 99000 N / Static load rating (axial)
nG Fett - 6300 1/min / Limiting speed for grease lubrication
nG Ol - 8500 1/min / Limiting speed for minimal quantity oil lubrication
Cua - 8900 N / Fatigue limit load, axial