HOME >> Services >> Partners >> FAG Bearing
FAG Bearing
IKO Bearing
INA Bearing
KOYO Bearing
NACHI Bearing
NSK Bearing
NTN Bearing
SKF Bearing
TIMKEN Bearing

Bearing number : 239/500-K-MB + AH39/500-H
Size (mm) : 480x670x128
Brand : FAG
Bore Diameter (mm) : 480
Outer Diameter (mm) : 670
Width (mm) : 128
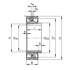
d1H - 480 mm
D - 670 mm
B - 128 mm
a - 10 mm
b - 32 mm
D1 - 619,3 mm
Da max - 652 mm
d - 500 mm
d2G - Tr520X6
da min - 518 mm
ds - 12,5 mm
l - 162 mm
ns - 23,5 mm
ra max - 4 mm
rmin - 5 mm
- AH39/500-H / Designation, withdrawal sleeve
m - 124 kg / Weight
m1 - 27,7 kg / Weight, withdrawal sleeve
Cr - 2600000 N / Dynamic load rating (radial)
e - 0,17
Y1 - 3,9
Y2 - 5,81
C0r - 6300000 N / Static load rating (radial)
Y0 - 3,81
nG - 990 1/min / Limiting speed
nB - 540 1/min / Reference speed
Cur - 400000 N / Fatigue limit load, radial
Main dimensions to DIN 635-2