HOME >> Services >> Partners >> FAG Bearing
FAG Bearing
IKO Bearing
INA Bearing
KOYO Bearing
NACHI Bearing
NSK Bearing
NTN Bearing
SKF Bearing
TIMKEN Bearing

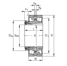
Bearing number : 239/500-K-MB + H39/500-HG
Size (mm) : 470x670x128
Brand : FAG
Bore Diameter (mm) : 470
Outer Diameter (mm) : 670
Width (mm) : 128
d1H - 470 mm
D - 670 mm
B - 128 mm
Ba min - 18 mm
c - 68 mm
c1 - 83 mm
D1 - 619,3 mm
Da max - 652 mm
Dm - 580 mm
d - 500 mm
da max - 543 mm
db min - 516 mm
ds - 12,5 mm
l - 208 mm
ns - 23,5 mm
ra max - 4 mm
rmin - 5 mm
- H39/500-HG / Adapter sleeve
m - 124 kg / Weight
m1 - 75,2 kg
Cr - 2600000 N / Dynamic load rating (radial)
e - 0,17
Y1 - 3,9
Y2 - 5,81
C0r - 6300000 N / Static load rating (radial)
Y0 - 3,81
nG - 990 1/min / Limiting speed
nB - 400000 N / Fatigue limit load, radial
Main dimensions to DIN 635-2