HOME >> Services >> Partners >> FAG Bearing
FAG Bearing
IKO Bearing
INA Bearing
KOYO Bearing
NACHI Bearing
NSK Bearing
NTN Bearing
SKF Bearing
TIMKEN Bearing

Bearing number : 239/530-K-MB + AH39/530-H
Size (mm) : 500x710x136
Brand : FAG
Bore Diameter (mm) : 500
Outer Diameter (mm) : 710
Width (mm) : 136
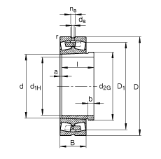
d1H - 500 mm
D - 710 mm
B - 136 mm
a - 10 mm
b - 37 mm
D1 - 656,5 mm
Da max - 692 mm
d - 530 mm
d2G - Tr550X6
da min - 548 mm
ds - 12,5 mm
l - 175 mm
ns - 23,5 mm
ra max - 4 mm
rmin - 5 mm
- AH39/530-H / Designation, withdrawal sleeve
m - 146 kg / Weight
m1 - 43,1 kg / Weight, withdrawal sleeve
Cr - 2850000 N / Dynamic load rating (radial)
e - 0,18
Y1 - 3,85
Y2 - 5,73
C0r - 6800000 N / Static load rating (radial)
Y0 - 3,76
nG - 930 1/min / Limiting speed
nB - 510 1/min / Reference speed
Cur - 385000 N / Fatigue limit load, radial
Main dimensions to DIN 635-2