HOME >> Services >> Partners >> FAG Bearing
FAG Bearing
IKO Bearing
INA Bearing
KOYO Bearing
NACHI Bearing
NSK Bearing
NTN Bearing
SKF Bearing
TIMKEN Bearing

Bearing number : 239/600-B-K-MB + AH39/600-H
Size (mm) : 570x800x150
Brand : FAG
Bore Diameter (mm) : 570
Outer Diameter (mm) : 800
Width (mm) : 150
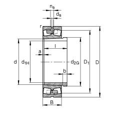
d1H - 570 mm
D - 800 mm
B - 150 mm
a - 10 mm
b - 38 mm
D1 - 740,5 mm
Da max - 782 mm
d - 600 mm
d2G - Tr625X6
da min - 618 mm
ds - 12,5 mm
l - 192 mm
ns - 23,5 mm
ra max - 4 mm
rmin - 5 mm
- AH39/600-H / Designation, withdrawal sleeve
m - 210 kg / Weight
m1 - 55,6 kg / Weight, withdrawal sleeve
Cr - 3450000 N / Dynamic load rating (radial)
e - 0,17
Y1 - 3,95
Y2 - 5,88
C0r - 8650000 N / Static load rating (radial)
Y0 - 3,86
nG - 810 1/min / Limiting speed
nB - 435 1/min / Reference speed
Cur - 630000 N / Fatigue limit load, radial
Main dimensions to DIN 635-2