HOME >> Services >> Partners >> FAG Bearing
FAG Bearing
IKO Bearing
INA Bearing
KOYO Bearing
NACHI Bearing
NSK Bearing
NTN Bearing
SKF Bearing
TIMKEN Bearing

Bearing number : 239/710-K-MB + AH39/710-H
Size (mm) : 670x950x180
Brand : FAG
Bore Diameter (mm) : 670
Outer Diameter (mm) : 950
Width (mm) : 180
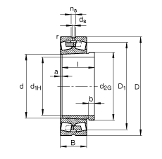
d1H - 670 mm
D - 950 mm
B - 180 mm
a - 12 mm
b - 43 mm
D1 - 877,5 mm
Da max - 927 mm
d - 710 mm
d2G - Tr740X7
da min - 733 mm
ds - 12,5 mm
l - 228 mm
ns - 23,5 mm
ra max - 5 mm
rmin - 6 mm
- AH39/710-H / Designation, withdrawal sleeve
m - 336 kg / Weight
m1 - 101 kg / Weight, withdrawal sleeve
Cr - 4800000 N / Dynamic load rating (radial)
e - 0,18
Y1 - 3,85
Y2 - 5,73
C0r - 12000000 N / Static load rating (radial)
Y0 - 3,76
nG - 670 1/min / Limiting speed
nB - 350 1/min / Reference speed
Cur - 720000 N / Fatigue limit load, radial
Main dimensions to DIN 635-2