HOME >> Services >> Partners >> FAG Bearing
FAG Bearing
IKO Bearing
INA Bearing
KOYO Bearing
NACHI Bearing
NSK Bearing
NTN Bearing
SKF Bearing
TIMKEN Bearing

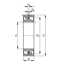
Bearing number : 239/750-MB
Size (mm) : 750x1000x185
Brand : FAG
Bore Diameter (mm) : 750
Outer Diameter (mm) : 1000
Width (mm) : 185
d - 750 mm
D - 1000 mm
B - 185 mm
D1 - 923,2 mm
Da max - 977 mm
da min - 773 mm
ds - 12,5 mm
ns - 23,5 mm
ra max - 5 mm
rmin - 6 mm
m - 426 kg / Weight
Cr - 5200000 N / Dynamic load rating (radial)
e - 0,17
Y1 - 3,95
Y2 - 5,88
C0r - 12900000 N / Static load rating (radial)
Y0 - 3,86
nG - 640 1/min / Limiting speed
nB - 325 1/min / Reference speed
Cur - 790000 N
Main dimensions to DIN 635-2