HOME >> Services >> Partners >> FAG Bearing
FAG Bearing
IKO Bearing
INA Bearing
KOYO Bearing
NACHI Bearing
NSK Bearing
NTN Bearing
SKF Bearing
TIMKEN Bearing

Bearing number : 23940-S-K-MB + AH3940
Size (mm) : 190x280x60
Brand : FAG
Bore Diameter (mm) : 190
Outer Diameter (mm) : 280
Width (mm) : 60
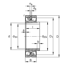
d1H - 190 mm
D - 280 mm
B - 60 mm
a - 6 mm
b - 16 mm
D1 - 256,9 mm
Da max - 269,8 mm
d - 200 mm
d2G - Tr210X4
da min - 210,2 mm
ds - 6,3 mm
l - 77 mm
ns - 12,2 mm
ra max - 2,1 mm
rmin - 2,1 mm
- AH3940 / Designation, withdrawal sleeve
m - 11,5 kg / Weight
m1 - 2,62 kg / Weight, withdrawal sleeve
Cr - 550000 N / Dynamic load rating (radial)
e - 0,2
Y1 - 3,42
Y2 - 5,09
C0r - 1080000 N / Static load rating (radial)
Y0 - 3,34
nG - 2800 1/min / Limiting speed
nB - 1670 1/min / Reference speed
Cur - 71000 N / Fatigue limit load, radial
Main dimensions to DIN 635-2