HOME >> Services >> Partners >> FAG Bearing
FAG Bearing
IKO Bearing
INA Bearing
KOYO Bearing
NACHI Bearing
NSK Bearing
NTN Bearing
SKF Bearing
TIMKEN Bearing

Bearing number : 23956-K-MB + AH3956G
Size (mm) : 260x380x75
Brand : FAG
Bore Diameter (mm) : 260
Outer Diameter (mm) : 380
Width (mm) : 75
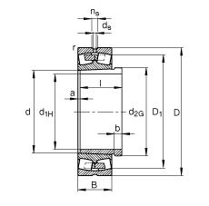
d1H - 260 mm
D - 380 mm
B - 75 mm
a - 6 mm
b - 18 mm
D1 - 350 mm
Da max - 369,8 mm
d - 280 mm
d2G - Tr300X4
da min - 290,2 mm
ds - 8 mm
l - 94 mm
ns - 15 mm
ra max - 2,1 mm
rmin - 2,1 mm
- AH3956G / Designation, withdrawal sleeve
m - 24,7 kg / Weight
m1 - 8,3 kg / Weight, withdrawal sleeve
Cr - 970000 N / Dynamic load rating (radial)
e - 0,18
Y1 - 3,76
Y2 - 5,59
C0r - 2040000 N / Static load rating (radial)
Y0 - 3,67
nG - 2000 1/min / Limiting speed
nB - 1100 1/min / Reference speed
Cur - 129000 N / Fatigue limit load, radial
Main dimensions to DIN 635-2