HOME >> Services >> Partners >> FAG Bearing
FAG Bearing
IKO Bearing
INA Bearing
KOYO Bearing
NACHI Bearing
NSK Bearing
NTN Bearing
SKF Bearing
TIMKEN Bearing

Bearing number : 23964-K-MB + AH3964G-H
Size (mm) : 300x440x90
Brand : FAG
Bore Diameter (mm) : 300
Outer Diameter (mm) : 440
Width (mm) : 90
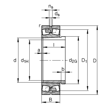
d1H - 300 mm
D - 440 mm
B - 90 mm
a - 7 mm
b - 21 mm
D1 - 406,2 mm
Da max - 427,6 mm
d - 320 mm
d2G - Tr340X5
da min - 332,4 mm
ds - 9,5 mm
l - 112 mm
ns - 17,7 mm
ra max - 2,5 mm
rmin - 3 mm
- AH3964G-H / Designation, withdrawal sleeve
m - 41 kg / Weight
m1 - 11,5 kg / Weight, withdrawal sleeve
Cr - 1310000 N / Dynamic load rating (radial)
e - 0,19
Y1 - 3,62
Y2 - 5,39
C0r - 2750000 N / Static load rating (radial)
Y0 - 3,54
nG - 1700 1/min / Limiting speed
nB - 940 1/min / Reference speed
Cur - 201000 N / Fatigue limit load, radial
Main dimensions to DIN 635-2