HOME >> Services >> Partners >> FAG Bearing
FAG Bearing
IKO Bearing
INA Bearing
KOYO Bearing
NACHI Bearing
NSK Bearing
NTN Bearing
SKF Bearing
TIMKEN Bearing

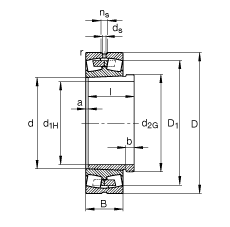
Bearing number : 23972-K-MB + AH3972G-H
Size (mm) : 340x480x90
Brand : FAG
Bore Diameter (mm) : 340
Outer Diameter (mm) : 480
Width (mm) : 90
d1H - 340 mm
D - 480 mm
B - 90 mm
a - 7 mm
b - 21 mm
D1 - 447,1 mm
Da max - 467,6 mm
d - 360 mm
d2G - Tr380X5
da min - 372,4 mm
ds - 9,5 mm
l - 112 mm
ns - 17,7 mm
ra max - 2,5 mm
rmin - 3 mm
- AH3972G-H / Designation, withdrawal sleeve
m - 45 kg / Weight
m1 - 13 kg / Weight, withdrawal sleeve
Cr - 1430000 N / Dynamic load rating (radial)
e - 0,17
Y1 - 4,05
Y2 - 6,04
C0r - 3200000 N / Static load rating (radial)
Y0 - 3,96
nG - 1540 1/min / Limiting speed
nB - 810 1/min / Reference speed
Cur - 209000 N / Fatigue limit load, radial
Main dimensions to DIN 635-2