HOME >> Services >> Partners >> FAG Bearing
FAG Bearing
IKO Bearing
INA Bearing
KOYO Bearing
NACHI Bearing
NSK Bearing
NTN Bearing
SKF Bearing
TIMKEN Bearing

Bearing number : 23976-K-MB + AH3976G-H
Size (mm) : 360x520x106
Brand : FAG
Bore Diameter (mm) : 360
Outer Diameter (mm) : 520
Width (mm) : 106
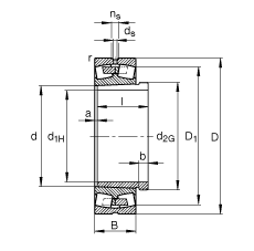
d1H - 360 mm
D - 520 mm
B - 106 mm
a - 8 mm
b - 22 mm
D1 - 477,6 mm
Da max - 505,4 mm
d - 380 mm
d2G - Tr400X5
da min - 394,6 mm
ds - 9,5 mm
l - 130 mm
ns - 17,7 mm
ra max - 3 mm
rmin - 4 mm
- AH3976G-H / Designation, withdrawal sleeve
m - 66,3 kg / Weight
m1 - 16,1 kg / Weight, withdrawal sleeve
Cr - 1760000 N / Dynamic load rating (radial)
e - 0,19
Y1 - 3,58
Y2 - 5,33
C0r - 4000000 N / Static load rating (radial)
Y0 - 3,5
nG - 1340 1/min / Limiting speed
nB - 760 1/min / Reference speed
Cur - 265000 N / Fatigue limit load, radial
Main dimensions to DIN 635-2