HOME >> Services >> Partners >> FAG Bearing
FAG Bearing
IKO Bearing
INA Bearing
KOYO Bearing
NACHI Bearing
NSK Bearing
NTN Bearing
SKF Bearing
TIMKEN Bearing

Bearing number : 23980-B-K-MB + AH3980G-H
Size (mm) : 380x540x106
Brand : FAG
Bore Diameter (mm) : 380
Outer Diameter (mm) : 540
Width (mm) : 106
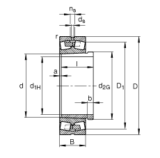
d1H - 380 mm
D - 540 mm
B - 106 mm
a - 8 mm
b - 22 mm
D1 - 499 mm
Da max - 525,4 mm
d - 400 mm
d2G - Tr420X5
da min - 414,6 mm
ds - 9,5 mm
l - 130 mm
ns - 17,7 mm
ra max - 3 mm
rmin - 4 mm
- AH3980G-H / Designation, withdrawal sleeve
m - 68,2 kg / Weight
m1 - 17 kg / Weight, withdrawal sleeve
Cr - 1830000 N / Dynamic load rating (radial)
e - 0,18
Y1 - 3,71
Y2 - 5,52
C0r - 4150000 N / Static load rating (radial)
Y0 - 3,63
nG - 1290 1/min / Limiting speed
nB - 710 1/min / Reference speed
Cur - 275000 N / Fatigue limit load, radial
Main dimensions to DIN 635-2