HOME >> Services >> Partners >> FAG Bearing
FAG Bearing
IKO Bearing
INA Bearing
KOYO Bearing
NACHI Bearing
NSK Bearing
NTN Bearing
SKF Bearing
TIMKEN Bearing

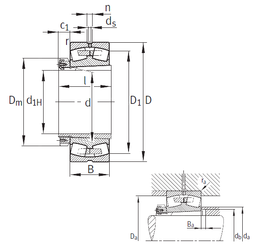
Bearing number : 23984-K-MB+H3984
Size (mm) : 420x560x106
Brand : FAG
Bore Diameter (mm) : 420
Outer Diameter (mm) : 560
Width (mm) : 106
d - 420 mm
d1 - 400 mm
D - 560 mm
B - 106 mm
C - 106 mm
Dm - 490 mm
n - 17,7 mm
I - 168 mm
r min. - 4 mm
C1 - 66 mm
D1 - 519,5 mm
ba min. - 15 mm
da max - 455 mm
Da max. - 545,4 mm
db min - 433 mm
ra max. - 3 mm
d5 - 9,5 r/min
Weight - 115,5 Kg
Basic dynamic load rating (C) - 1900 kN
Basic static load rating (C0) - 4500 kN
Fatigue load limit (Pu) - 300
Reference speed - 660 r/min
Limiting speed - 850 r/min
Calculation factor (e) - 0,18
Calculation factor (Y0) - 3,76
Calculation factor (Y1) - 3,85
Calculation factor (Y2) - 5,73